(原标题:敢保10年的沙发,背后是一份26页的企业标准)
在家具行业,敢把质保期做到10年的品牌不多,深哥家具算一个。
这份底气,不是拍脑袋决定的。翻开源代码深哥家具2026年1月发布的三份企业标准——《聚氨酯覆面头层牛皮》《聚氨酯覆面头层牛皮沙发》《聚氨酯覆面头层牛皮软体床》,整整26页的技术文件,密密麻麻写满了各项指标的严苛要求。


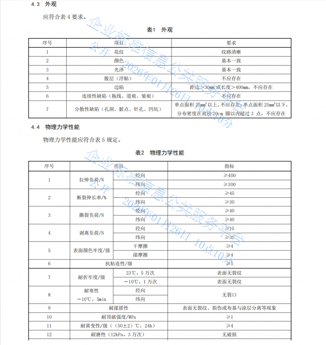
先说皮。深哥家具使用的聚氨酯覆面头层牛皮,是一种复合材料:表面是聚氨酯人造革,底层是天然头层牛皮。标准里明确规定:头层牛皮厚度要在1.0-1.1mm之间,花纹保持完整,天然毛孔和纹理清晰可见;聚氨酯面层厚度控制在0.60-0.75mm。两者复合后,既要保留真皮的透气性和触感,又要具备人造革的耐磨耐刮特性。
耐磨性测到什么程度?12千帕的压力下,摩擦3万次,表面不能有明显损伤。这是什么概念?正常家庭使用,每天坐、靠、摩擦,用上十几年,皮革表面依然能保持完好。
再说沙发。深哥的企业标准里,对沙发的摩擦色牢度要求是:干摩擦500次≥4级,湿摩擦500次≥4级,人造汗液80次≥4级。简单说,就是不管你干着手擦、湿着手摸,还是夏天出汗靠上去,颜色都不容易脱落、沾染。
有害物质限量更是严苛。甲醛释放量≤0.03mg/m3,苯≤0.01mg/m3,总挥发性有机化合物(TVOC)≤0.10mg/m3——这些指标,都比国家强制性标准更严格。
正是这些藏在实验室里的数据,撑起了深哥家具“10年免费质保”的承诺。按照标准生产出来的沙发和软床,正常使用年限可达15-20年。这不是营销话术,是每一项指标反复测试后得出的结论。
今年新品发布,深哥在沙发内部结构上做了重磅升级:加厚框架、加强支撑、加高回弹海绵密度。用研发人员的话说,“闭着眼睛坐,都能感觉到比老款扎实”。配合独有的皮企标(高于国标的企业标准),从皮料到结构,从环保到耐用,每一个环节都经得起推敲。
目前深哥家具全国门店已超过500家,从佛山总部到各地新零售旗舰店+品牌馆,覆盖武汉、长沙、长春、西安、上饶等核心城市。2025年新零售战略升级后,线上线下彻底打通,用户在直播间看中的款式,可以在最近门店亲身体验;线上下单后,由本地门店配送安装,售后响应更快。


敢保10年,是因为从源头就知道,每一件出厂的家具都能扛住时间的考验。这不是口号,是一份26页企业标准写出来的底气。
本文来源:财经报道网
